前两篇文章主要是从磷业公司角度对南北美洲磷行业进行分析,信息来源主要是上市公司的财报和发布的其他信息。本文主要分析美国各个具体的磷矿区或磷矿,信息来源包括文献、USGS调查报告等。
1. 佛罗里达磷矿
在本系列文章的第1、第11和第12篇里,都有提到佛罗里达州的磷矿,这里再详细阐述一下,尤其是原矿品位问题。
佛罗里达的磷矿开采有100年以上的历史,最早可追溯到1888年。最初开采的矿物有三类:“River pebble” 、“Land pebble”以及“Hard rock”磷矿,由于资源耗尽和经济性原因,目前仅有“Land pebble”在开采。所谓的“pebble”指一种粒径大于10~20目(0.8~2mm)的磷矿石,这种矿石含磷量高,通过简单的筛分就可以从原矿中分离出来,不需要进一步选矿就可直接用于制造磷肥。佛罗里达州的采矿者把原矿称为“Matrix”,根据颗粒粗细可将Matrix分为三部分:pebble、沙砾和粘土,pebble的含量随地理位置埋深变化较大。早期开采的时候只收集pebble矿,磷含量较低的沙砾和粘土直接废弃,磷资源回收率不超过50%。为提升经济性和资源回收率,1927~1940年导入浮选工艺选矿,沙砾中的磷得到了利用【1】【2】。
佛州的磷矿分布如下图所示【3】:

其中蓝色区域为正在开采的磷矿区,其他区域的磷矿无开采价值。北部的是Nutrien的White Springs矿,估计储量已接近枯竭。中部及其南向延伸区的磷矿属于Mosaic,更详细的分布如下:

从此图中可看出,mosaic的在产及停产磷矿,Four corners、South Fort Meade、Wingate以及South Pasture都位于Central Florida Phosphate District的偏南部以及Southern Extension区域。而拟建的Pioneer和Desoto矿还在更往南的地区。很多文献中都有讲到,佛罗里达中部的磷矿是经济性最高的,越往南经济性越差。而上图中黄圈外的中部磷矿基本已被采光,Mosaic目前开采的南部磷矿经济性较差,更不用说待建磷矿。
下表为中部核心区磷矿和南部延伸区磷矿的统计数据对比【4】:

从此表中可看出,最好的矿是中部的Bone Valley地层,Pebble重量占比、Pebble的磷含量以及MgO含量都优于其他地层或区域的磷矿。
以下两张表是佛罗里达中南部磷矿的化学成分分析【5】:


从以上两表可看出,早期开采的佛罗里达州中部磷矿的P2O5含量普遍为15~20%,个别超过20%。而目前开采的Four Corners矿P2O5含量不到10%。
再强调一遍,美国目前开采的磷矿原矿品位没有30%,佛罗里达州的仅有8~15%。
2. 北卡罗莱纳磷矿
北卡罗莱纳仅有Nutrien的Aurora磷矿在生产,其地理位置和卫星图如下【6】:


该矿埋深约30m,矿层厚度达到12m,P2O5平均品位13~15%。此矿层上部和下部的矿石,品位低于10%或杂质含量高,无经济性,作为废石剥离或者不开采。如下表所示,只能开采埋深87-127英尺范围的矿层【7】。

与佛罗里达磷矿不同,该地的磷矿粗颗粒CaCO3含量高,不能使用。只有14至200目之间的颗粒才能利用,并且全部需经过浮选提升品位和除杂。

该矿矿层位于海平面以下,且含水层丰富,采矿过程中需要一直抽水。浮选后的磷矿还需进行煅烧,去除有机质和降低CO2含量。这些都增加了磷矿成本。
3. 美国西部磷矿
美国西部磷矿区是美国乃至世界上磷资源量最大的地区之一,位于Idaho、Montana、Utah以及Wyoming等州的交界处,总分布面积超过35万平方公里,总的磷资源量高达几百亿吨,适合露天开采的也有数十亿吨【8】【9】。


该地区也有100年以上的开采历史,早期既有露天开采也有地下开采,因地下开采经济性差,目前仅有为数不多的几个露天开采矿。Conda矿是仍在开采的露天矿之一,曾属于Agrium,但在2018年与PotashCorp合并之前被剥离出去了,剥离之前盈利能力较差,2016~2017年毛利率都低于10%。
该地区磷矿主要分布于Meade Peak Phosphatic地层,示意图如下:

从上图可看出,磷矿分布主要分为两层Upper Phosphate Zone和Lower Phosphate zone。上层磷矿区的品位更高,但厚度稍低。
以上初步分析表明,美国西部磷矿储量大,其中有不少适合露天开采,磷矿品位20~30%之间,应该属于比较好的磷矿。但长期以来实际开采的量并不大,峰值年产量不超过800万吨,这是什么原因呢?通过查阅资料分析,可能的原因主要有两个:
(1)磷矿中有毒有害物质含量较高【10】。



以上三个表主要看Upper ore和Lower ore两行的数据,从中可看出磷矿中的镉(77和105ppm)、硒(44和70ppm)、铀(108和100ppm)、钒(645和1038ppm)以及其他多种重金属含量都很高。开采过程和成品都存在一定的环境风险。2000年前后,磷矿开采区域出现了马、火蜥蜴以及鱼类的批量死亡事件,美国政府组织的调查表明是由“硒中毒”引起的,与磷矿开采直接相关【11】【12】。(很疑惑中国的富硒瓜能成为卖点)
(2) 西部地区磷矿的地质情况复杂,形成后经过的剧烈的地质变化,断层、褶皱很多,倾角大,开采难度大。再加上原矿中Al2O3、有机碳/无机碳含量高,增加了选矿成本。在西部磷矿的环境问题尚未爆发之前,其开采经济性就不如佛罗里达磷矿,产量长期在低位徘徊。
4. 秘鲁Sechura磷矿
秘鲁只有Sechura一个磷矿在量产,由美盛控股,即Miski Mayo矿,所生产的磷矿主要运回美国国内加工。因此,这里顺便把这个矿讲一下。


上图中红圈部分即为该矿位置,在秘鲁西北部,矿区距离港口不到50公里,海运到佛罗里达的成本不算高。
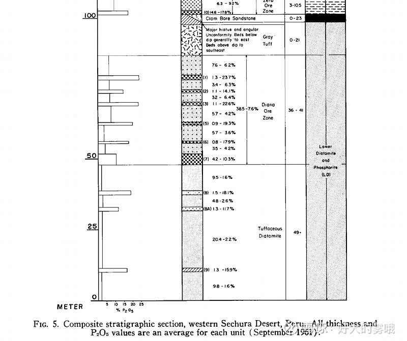
此矿的地层图(部分)如下【13】:

上图中标有(1)~(9)的矿层为可开采矿层,后面带有两个数字,前面的数字表示厚度(m),后面的数字为P2O5品位。可见此矿的矿层厚度1m左右,平均品位估计20%,都不算太好。但该矿区的部分地区可露天开采,1~5层原矿经过简单的擦洗和脱泥,不用浮选就可以得到适合制造磷肥的高品位磷精矿,因此采矿和选矿成本都不高,相对美国国内磷矿具有优势。此矿的储量估计1.5亿吨,按年产量500万吨计,可开采30年左右。
5. 关于美国磷矿的结论
美国磷矿产量曾经长期占据世界首位,时间跨度超过100年。一直以来美国磷矿业也都有磷矿储量充足与否的争论,很多文献都持乐观态度,认为美国的磷矿资源会越挖越多。确实,直到现在美国的磷矿资源量都还很多,高达几百亿吨。但是由于不加节制的开采和环境限制,USGS公布的储量只有10亿吨,其中具有国际竞争力、能够经济开采的储量估计更少,美国磷矿产量的下降已经不可避免。下图是美国磷矿的历年产量:

如果按照图中红线的下降趋势,到2040年美国磷矿的产量将只有500~600万吨,美国将成为磷矿和磷肥的净进口国。
在前面的文章中,我曾经希望我国的磷肥出口能够适当放松。从美国的教训来看,尽管国内的磷矿储量有所增加,磷肥的出口管制也不应该放宽。涉及到粮食安全的政策应尽量保守。
美国的磷矿就分析到这里,下一次讲以俄罗斯磷矿为代表的火成岩磷矿。
$云天化(SH600096)$ $美国美盛公司(MOS)$ $Nutrien(NTR)$
声明:文中所有信息均是经公开资料搜集整理,仅供参考,本人不保证准确性和真实性,采用文中信息造成的后果由使用者自行承担。本人持有云天化股票。
参考文献:
【1】The Florida phosphate industry:The first 100 years,Walter E. Pittman
【2】A Brief History of Phosphate Mining in Bone Valley,Richard A. Fifer
【3】Introduction to Florida Phosphate, Marc V. Hurst and Jon L. Courtney
【4】New Techniques in Beneficiation of the Florida Phosphates of the Future,J.E. Lawver etc.
【5】Mineralogy and alteration of the phosphate deposits of Florida,S.J. VAN KAUWENBERGH,etc.
【6】Comparative geology and mineralogy of the southeastern United States and Togo phosphorites,S. J. VAN KAUWENBERGH & G. H McCLELLAN
【7】PHOSPHATE MINING IN NORTH CAROLINA,Immo H. Redeker etc.
【8】THE HISTORY OF PRODUCTION OF THE WESTERN PHOSPHATE FIELD,S.M. JASINSKI etc.
【9】Phosphate rock resources of the United States,JAMES B. etc.
【10】Lithogeochemistry of the meade peak phosphatic shale member of the phosphoria formation, Southeast Idaho,J.R. HERRING and R.I. GRAUCH
【11】Selected Case Studies of Ecosystem Contamination by Se,Terry F. Young,etc.
【12】Response to Selenium Contamination at Phosphate Mines in Southeastern Idaho, Jeffrey L. Jones, etc.
【13】Sechura phosphate deposits, their stratigraphy, origin, and composition, T. M. CHENEY,etc.