上海贝岭(600171)最新推出BL1087和BL1087-4,分别为8通道和4通道16位600kS/s高精度模数转换芯片。芯片同时集成了用于各输入通道的模拟前端电路(钳位保护电压±15.5V)、支持自动和手动两种扫描模式的多通道复用器,以及低温漂基准电压源。
采用5V单模拟电源供电时,器件上的各输入通道(不包括辅助通道)均可支持±12.8V、±10.24V、±5.12V和±2.56V的真双极输入范围。
芯片采用TSSOP38封装形式,支持1.65V~5.25V数据接口,额定工作温度范围为-40℃至+125℃。
产品广泛应用于电力自动化、PLC模拟量输入、多通道数据采集系统等领域。

BL1087&BL1087-4系统框图
应用场景
电力自动化
PLC模拟量输入
多通道数据采集系统

16-bit,8-Chanel可用于工业控制的可编程逻辑控制器(PLC),实现工业自动化。
产品特性
注:除非另有说明,TA = 25℃, AVDD = 5 V,DVDD=3.3V,VREF = 4.096 V (internal),Fin = 400.171Hz

高精度
BL1087和BL1087-4全系产品具有出色的噪声性能和线性度。
在单端输入、信号频率为 400.171Hz、Fund = -1dBFS 时,不同 Range 对应的信号幅度如下:
Range = ±12.8V ,信号幅度= 8.068Vrms;
Range = ±10.24V ,信号幅度= 6.454Vrms;
Range = ±5.12V ,信号幅度= 3.227Vrms;
Range = ±2.56V ,信号幅度= 1.614Vrms。
各Range典型性能结果如下:

BL1087@(FS=600KS/s-8通道升序模式FIN=400.171Hz)的典型FFT(±12.8V-Range)

BL1087@ (FS=600KS/s -8通道升序模式 FIN=400.171Hz)的典型FFT(±10.24V-Range)

BL1087@ (FS=600KS/s -8通道升序模式 FIN=400.171Hz)的典型FFT(±5.12V-Range)

BL1087@ (FS=600KS/s -8通道升序模式FIN=400.171Hz)的典型FFT(±2.56V-Range)

BL1087@ (FS=600KS/s -8通道升序模式 FIN=400.171Hz)的典型INL
片上低温漂带隙基准电压源
全系产品内置高精度电压基准源,全温范围内温漂特性出色,可低至 6 ppm/℃。

片内基准电压源温漂曲线
灵活易用的接口模式
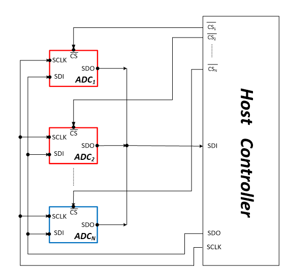
全系产品支持 SPI 兼容串行接口及菊花链多器件连接,数据接口提供1.65V~5.25V 电压,适配各类主机控制器。
芯片支持 Daisy chain(菊花链)功能,下图展示两种典型连接模式。(若主机控制器共享输出无数字缓冲器,两种菊花链均仅支持最多 4 个设备连接。)

BL1087-菊花链连接示意图

BL1087-菊花链星形拓扑连接示意图
PIN脚信息 /BL1087 BL1087-4
Pin2Pin兼容ADS8688/ADS8684

BL1087/BL1087-4 Pin脚示意图