近日,中国汽车工业协会公示 2025 中国汽车芯片创新成果推荐名单,上海贝岭(600171)自主研发的车规级、特高压平面MOSFET BLQ3N120 成功入选。该活动经多方严格评审,从众多产品中筛选优质芯片,BLQ3N120 的入选彰显其技术领先性与产业适配性。
此次入选不仅是对上海贝岭技术实力的认可,更是发展动力。未来公司将加大研发投入,推出更多创新产品,助力汽车电子产品供应丰富与提升!

产品特性
上海贝岭推出的车规级特高压平面硅基MOSFET BLQ3N120,采用先进的晶胞结构,可降低导通损耗、提高开关性能并增强雪崩能量,在确保车规级品质的情况下,耐压可做到1200V。主要特点有:高击穿电压、低导通电阻、低阈值电压VTH、高结温等,填补了国内车规级、特高压平面MOSFET市场领域的空白。
优势特征&参数
VDS:1200V ID:3A RDS(ON):5Ω
IDSS:200nA(@VDS =1200V, VGS= 0V, Tj = 25℃)
VGS(TH):3V ~ 5V Fast Switching Low Crss
100% avalanche tested
AEC-Q101 qualified
典型应用
基于车规级、特高压平面MOSFET BLQ3N120特性,其可应用于新能源汽车电池管理系统(BMS)的总压检测、绝缘检测、粘连检测、主驱/PTC等的辅助电源、主动泄放电子开关等。
比如,在BMS“三大检测”(总压检测、绝缘检测、粘连检测)采样通道通断控制应用中,早期解决方案是干簧管或光MOS,但其成本高。而BLQ3N120因具备耐压高、关断漏电流小、成本低等特点,可以替换干簧管或光MOS,完全胜任BMS“三大检测”通道通断控制需求,而且还具有成本更低的优势!

MOSFET BLQ3N120在BMS“三大”检测中的应用
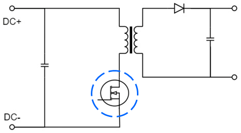
再比如,在主驱等反激辅助电源应用中,BLQ3N120因具备耐压高、开关频率高等特点,还可以用作电子开关管。

反激辅电示意框图