上海贝岭(600171)最新推出双通道、14位、2.0GSPS/2.6GSPS/3GSPS模数转换器BL1049系列产品。

该系列产品具有片上电压缓冲器和采样保持电路,专为低功耗、小尺寸和易用性而设计,产品型号如下:

应用场景
多频段和多模数字接收器
无线通信基站
电子测试和测量系统

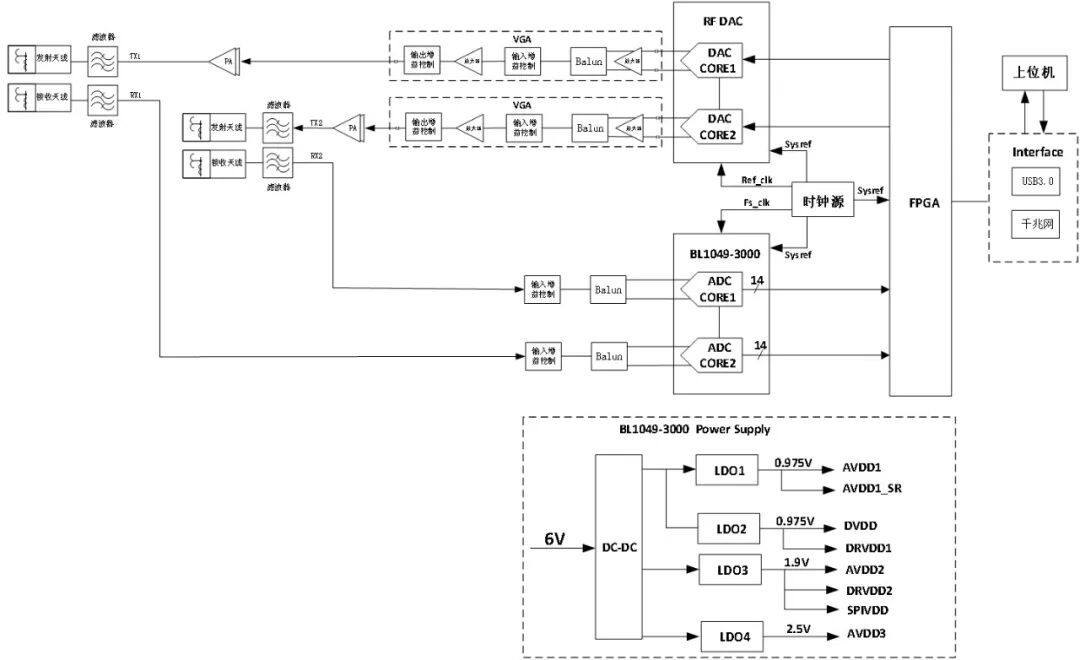
典型应用框图
BL1049系列产品支持直接采样高达3.5 GHz的宽带宽模拟信号的通信应用。双通道ADC内核采用多级差分流水线架构,并集成了输出纠错逻辑。每个ADC均具有宽带宽输入,支持各种用户可选输入范围。集成电压基准简化了设计考虑,同时模拟输入和时钟信号为差分输入。数据输出可通过交叉多路复用器在内部连接到四个数字下变频器(DDC)。每个DDC由多个级联信号处理级组成:一个48位频率转换器(数控振荡器(NCO))和多级级联实现的抽取滤波器。
NCO可以通过在通用输入/输出(GPIO)引脚选择多达三个频段。BL1049系列的DDC工作模式可通过SPI可编程配置选择。
用户可以将JESD204B高速串行输出配置为单通道、双通道、四通道和八通道,具体取决于DDC配置和接收逻辑器件的可接受通道速率。通过SYSREF±和SYNCINB±输入引脚支持多器件同步。芯片串行接口速率最高支持16Gbps。

BL1049系列系统框图
产品特性
高输入带宽
高采样速率
JESD204B数字接口
DDC下变频
BL1049系列产品内置一个稳定、精确的0.5V基准电压源,集成电压基准可以简化系统设计。

内部参考配置和控制

典型参考电压(VREF)温漂
性能参数
BL1049系列产品全温范围内具有出色的动态性能和静态性能,可以在复杂的工作环境中很好的工作。

典型单音 FFT (fIN = 155MHz)

典型INL误差(fIN=155MHz)

典型DNL误差(fIN=155MHz)

典型SNR/SFD与环境温度的关系
(fIN = 155 MHz,AIN = 2 dBFS)
工作模式
除了DDC模块之外,BL1049系列产品还具有多种功能。
如可编程阈值检测器,允许使用ADC寄存器0x0245中的快速检测控制位来监控输入信号功率。如果输入信号电平超过可编程阈值,则快速检测指示位变为高电平。由于该阈值指示器具有低延迟,因此用户可以快速调低系统增益,以避免ADC输入出现超范围情况。

FD_A和FD_B信号的阈值设置
除了快速检测输出外,该系列还提供信号监控能力,信号监控模块提供有关 ADC数字化信号的其他信息。
典型应用
BL1049系列产品有多种驱动方式,可以是有源驱动,也可以是无源驱动。通过差分驱动模拟输入可实现最佳性能。对于SNR和SFDR是关键参数的应用,建议采用差分变压器耦合输入配置,因为大多数放大器的噪声性能不足以实现其真正性能。

差分变压器耦合配置
差分变压器耦合输入配置元器件值
