2026年3月27日,亚洲充电展(AsiaChargingExpo,ACE)在深圳前海国际会议中心盛大启幕。士兰微电子携快充协议芯片、AC-DC/DC-DC控制器、超级结MOS、IGBT、SiC器件及车载充电解决方案亮相本次展会。
得益于士兰微(600460)的IDM模式,电源产品线经过多年的技术积累和产品开发历程,结合自主研发的电源工艺平台和数字电源控制技术,在适配器/充电器/移动电源/便携式储能/小家电等领域,持续推出了有竞争力的电源解决方案,自主专利的高压启动QR控制技术,定制的低热阻封装,多协议的快充支持,自适应的快充保护,为客户提供高集成度、高效率、高可靠性的电源产品。
现场回顾
本次展会,士兰微技术团队与行业专家、客户及合作伙伴深入交流,分享最新技术成果与应用方案,共同探索快充、新能源车载充电、储能等赛道的创新机遇,为市场需求和应用场景落地提供前瞻技术产品及先进解决方案。
明星产品
01
SD3964
产品特点
移动电源/户外电源快充协议控制IC,支持2~7串(三元锂)/8串(磷酸铁锂)电池;
支持4路独立Type-C双向快充协议控制,每路最高支持140W,支持边充边放;
支持PD3.2 AVS,PPS,QC4.0+,FCP,SCP,AFC,BC1.2, APPLE,UFCS等快充协议;
支持STOP低功耗模式,具有35uA超低待机功耗;
支持USB/UART/VDM/BT多种方案适配新国标要求,广泛适配快速升级;
内置硬件过压保护、过流保护、过温保护功能;
内置IIC/UART等通用硬件接口,支持从动模式,具备丰富的GPI0资源;
封装QFN52-6X6。
典型应用原理图

产品一览

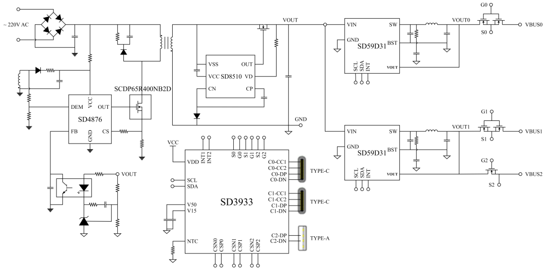
02
SD4876+
SCDP65R400NB2D+
SD8510+
SD3933/SD3934+
SD59D31
产品特点
SSR架构PWM+PFM控制IC,工作于CCM/DCM/QR模式;
650V/400mR SiC MOSFET,低开关损耗,低反向恢复电荷,散热优秀;
支持高侧和低侧两种同步整流应用,兼容多种工作模式;
多口快充协议控制IC+同步Buck转换器的平台化解决方案;
支持3/4路独立Type-C快充输出,整机最高支持65W;
支持PD3.2 AVS,PPS ,QC4.0+,FCP,SCP,AFC,BC1.2,APPLE, UFCS等快充协议;
内置IIC/UART等通用接口,集成大容量flash,支持OTA升级;
支持抖频改善EMI,低待机电流,具备完善异常状态保护功能。
典型应用原理图

产品一览
移动新国标方案
士兰微电子针对移动电源新国标对电池状态实时监测、多维度安全防护构建、产品状态信息可追溯的规范要求,推出USB、UART、VDM 3种有线方案,及BT+TFT无线方案。全栈式解决方案为不同客户提供高效、灵活的产品升级路径,既助力头部品牌打造差异化智能产品,也为大众品牌筑牢合规根基,推动整个移动电源产业平稳迈入新国标时代。
01
USB方案
SD3964 + USB + APP/小程序;
SD3964协议主控通过USB协议将接收到的电池核心信息整合后经D+/D-通道发送到手机;
极致成本,广泛适配。

02
UART方案
SD59D24C/D25 + UART + PC/手机;
在现有成熟方案基础上,通过UART实现与PC或手机的直连通信,在终端实时显示电池参数;
成熟方案,快速升级。

03
VDM方案
SD59D24C/D25 + VDM + APP
针对特定的手机品牌及其生态链实现定向开发,提供新国标合规专属路径;
特定品牌,定向兼容

04
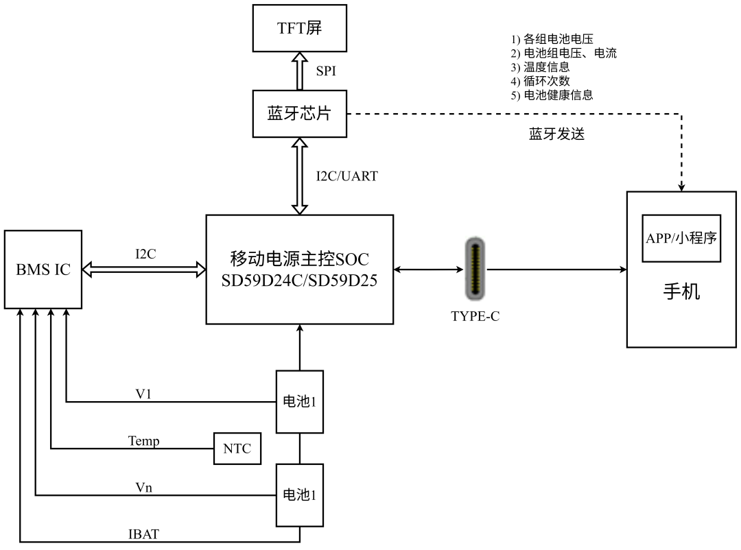
BT方案
SD59D24C/D25 + 蓝牙芯片 + APP;
移动电源SoC,搭配蓝牙芯片,构建“电池监测-系统主控-无线交互-双端可视”的智能体系,为高端产品提供差异化竞争力;
蓝牙互联,赋能高端产品。
